
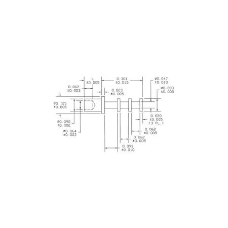
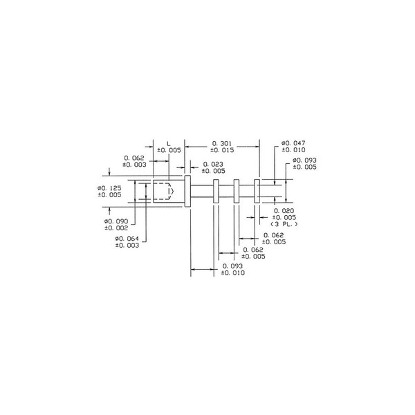
MIL NON-INS TRIPLE TURRET TERM, 0.426" L, 0.0, 15-601-3-088-250 (Discontinued)
- Mfr # 15-601-3-088
- Zoro # G0364568
Get a 10% off coupon
Free 30-day returns
Return PolicyGet 30 days to pay with Net 30
Apply NowReal support from real people
Contact our U.S. based teamSpecifications
Product Information
MFR #
15-601-3-088
Zoro #
G0364568
UPC #
-
Country of Origin
United States
Restrictions
This item has been restricted from sale in the following states:
CA
Ratings & Reviews
3 Reasons You Can Count On Us
Supplies for every job.
10 million items and the exact one you need.
When you need it fast, count on Zoro!
2 million products ship in 1 day.
Stretch your budget further.
Everyday low prices on the brands you love.